

DID YOU KNOW?
The tea house, according to one authority, is a “tiny cosmos separated from the daily world, where the mind can become clear, and the harmony between people restored.” Traditionally tea houses were built in the garden, detached from the house, because the tea house and the tea ceremony were a way of stepping away from everyday life to commune with nature. The entry doors were so low one had to stoop, reminding all who entered that they were, after all, merely human.
As of March 2023, this timber frame kit has been discontinued. We originally introduced this and other timber frame kits in March 2020, motivated by the idea that if one of our crew becomes ill, or if we have to close the shop temporarily, our crew can load their pickups with wood and tools and make the kits at home. We just wanted to keep everyone working.
Three years on, our crew is busier than ever and we’ve made the decision to concentrate on what we do best: custom timber framing projects. If a custom timber frame home, barn, great room, entryway, or other structure sounds like something you’d like to explore, we encourage you to view our work and see some of the projects we’re particularly proud of.
Japanese Tea House Kit
Zen-inspired simplicity + versatility
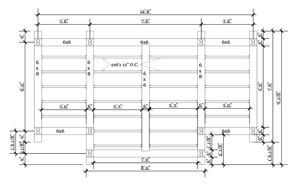
The scale and symmetry of this little timber frame make it extremely versatile, as the name suggests. We originally designed and built it as a very refined Japensese shed for a family in Charlotte, North Carolina. Larger and a bit more complicated than the timber frame firewood storage shed, this is a storage space, plus! In the wings on either side are two large lockers: One side holds the big tools — lawnmower, string trimmer, wheelbarrow, and the like; the other offers hanging storage for rakes, shovels, and spades, as well as shelves for small tools, fertilizer, lawn seed, and gardening supplies. When you’re done gardening for the day, the swing gives you a cool perch to survey your domain and rest your weary bones.
My wife Evy saw this picture and sighed, “Ahh …. I would love one of those!” And then, without missing a beat, reminded me, “You know, I’ve got an important birthday coming up later this year.” My wife’s vision for this structure combines both of its potential uses: a fully enclosed garden shed/she shed, with tools and supplies, shelves for garden books, seed catalogs, and so on. But she’d also work in a chaise lounge for relaxing and a small round table and chair set to invite her girlfriends over for tea or wine. (Notice I am not on the invite list.)

I personally would be tempted to use it as a Japanese tea house gazebo. The core design of this structure embodies the Zen-inspired aesthetic principles of “simplicity” and “rusticity,” which I love, and it’s built with what I consider one of the most noble of woods, Western red cedar. I’d build it pretty much the way you see here, but enclosed with glass for year-round use. I’d surround it with a ground level deck so you could move from the inside to the outside. And yes, I’d build a traditional tsukubai, a Japanese bamboo spout fountain. The splash of the falling water is meant to wash away the sounds of the outside world, and boy does it. Years ago, I created a tsukubai, and it was magical. I never built the Tea House to go with it, though. Maybe it’s time!
Need clarification on timber framing terms in your kit? Our Timber Frame Glossary offers straightforward explanations of the terms you’ll encounter.

These timber frames don’t just offer shelter, they tell stories

